Стол поворотный горизонтальный тип 5030 TS 500 A
Описание
Столы поворотные горизонтальные серии TS предназначены для деления, кругового резания, установки углов, расточки, локальной обработки и подобной работы совместно с фрезерными станками.
Назначение и характеристики стола поворотного горизонтального:
Столы поворотные горизонтальные тип TS предназначены для деления, кругового фрезерования, установки углов, сверления, торцевания и прочих подобных операция на фрезерном станке. Стол проградуирован для вращения на 360°. Механизм микроподачи, проградуирован делениями в 1 минуту, а шкала лимба имеет деления в 10 секунд. Поворотные столы имеют защелкивающиеся ручки и кривошипный механизм разъединения.
Специально устанавливаемый делительный диск (опция) позволяет оператору точно разделить 360° поверхности заготовки на любое количество частей от 2 до 66, и на любое кратное 2, 3 и 5 количество частей от 67 до 132.
Характеристики
| Диаметр планшайбы, мм | 500 |
| Конусность центровочного отверстия | KM5 |
| Диаметр отверстия, мм | Ø50х12 |
| Ширина Т-паза, мм | 18 |
| Углы схождении Т-пазов | 45° |
| Ширина паза крепления, мм | - |
| Модули червяка и червячной шестерни | 3,5 |
| Коэффициент передачи червячной передачи | 1:120 |
| Градуировка | 360° |
| Поворот стола при одном повороте червяка | 3° (1 ' деление) |
| Минимальное значение шкалы | 10" |
| Точность показаний | 60 " |
| Максимальный вес заготовки, кг | 550 |
| Вес, кг | 215 |
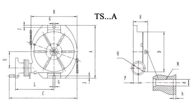
Табл. "Основные размеры поворотных столов серии TS..A"
![]() | Параметры | TS500A |
| A, мм | 640 | |
| B, мм | 560 | |
| C, мм | 753 | |
| D, мм | Ø500 | |
| G, мм | 22 | |
| H, мм | 158,5 | |
| J, мм | 22 | |
| K, мм | 230 | |
| L, мм | 393 | |
| M, мм | KM5 | |
| P, мм | 65 | |
| Q, мм | 180 | |
| d, мм | Ø50 | |
| h, мм | 12 |
Комплектация и особенности
К столу поворотному тип 5030 TS дополнительно поставляем (не входит в комплект стола поворотного):
- Фланец для крепления спирального патрона тип 5055 FL;
- Патрон спиральный тип 5054 К11;
- Делительное устройство, позволяющее оператору точно разделить диск при вращении на 360°, в любых пропорциях и на любые углы тип 5053 DP.
Видео
Доставка
Масса брутто, кг: 550
Габариты в упаковке ДхШхВ, мм: 393x560x159
Варианты доставки
| Доставка до адреса заказчика в Москве | 14 087 руб. | 1 день |
