Стол поворотный горизонтально-вертикальный тип 5040 TSL 200
Описание
Столы поворотные горизонтально-вертикальные серии TSL предназначены для деления, кругового резания, установки углов, расточки, локальной обработки и подобной работы совместно с фрезерными станками. Этот тип столов специально предназначен для выполнения машинных операций с большими возможностями измерения, чем столы серии TS. Основание позволяет использовать столы и в вертикальном положении для проведения работ с использованием задней бабки.
Назначение и характеристики стола поворотного горизонтально-вертикального:
Столы поворотные горизонтально-вертикальные тип TSL предназначены для деления, кругового фрезерования, установки углов, сверления, торцевания и прочих подобных операция на фрезерном станке. Стол проградуирован для вращения на 360°. Механизм микроподачи, проградуирован делениями в 1 минуту, а шкала лимба имеет деления в 10 секунд. Поворотные столы имеют защелкивающиеся ручки и кривошипный механизм разъединения.
Этот поворотный стол разработан таким образом, что станина может использоваться в вертикальном положении для выполнения работ по центрированию с пинолью. Специально установленный делительный диск позволяет оператору точно разделить 360° поверхности заготовки на любое количество частей кратное 30'.
Характеристики
| Основные параметры | TSL200 |
| Диаметр планшайбы, мм | Ø200 |
| Конусность центровочного отверстия | KM3 |
| Диаметр отверстия, мм | Ø30х6 |
| Высота центра при вертикальном положении, мм | 150 |
| Ширина Т-паза, мм | 12 |
| Углы схождении Т-пазов | 90° |
| Ширина паза крепления, мм | 14 |
| Модули червячной шестерни | 1.75 |
| Коэффициент передачи червячной передачи | 1:90 |
| Градуировка | 360° |
| Шкала маховичка | 1' |
| Минимальное значение шкалы | 10" |
| Точность показаний | 60" |
| Макс. нагрузка на подшипник в горизонтальном положении, кг | 150 |
| Макс. нагрузка на подшипник в вертикальном положении, кг | 75 |
| Вес, кг | 31.5 |
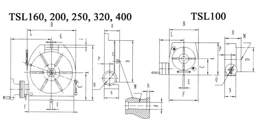
Табл."Параметры столов поворотных горизонтально-вертикальных серии TSL"
![]() | Параметры | TSL200 |
| A, мм | 285 | |
| B, мм | 236 | |
| C, мм | 150 | |
| D, мм | Ø120 | |
| E, мм | 14 | |
| F, мм | 208 | |
| G, мм | 14 | |
| H, мм | 100 | |
| J, мм | 15 | |
| L, мм | 211 | |
| M, мм | KM3 | |
| N, мм | 99 | |
| P, мм | 48 | |
| Q, мм | 125 | |
| d, мм | Ø30 | |
| h, мм | 6 |
Комплектация и особенности
К столу поворотному тип 5040 TSL дополнительно поставляем (не входит в комплект стола поворотного):
- Фланец для крепления спирального патрона тип 5055 FL;
- Патрон спиральный тип 5054 DК11;
- Делительный диск, позволяющий оператору точно разделить окружность при вращении на 360°, в любых пропорциях и на любые углы тип 5053 DP;
- Бабка задняя тип 5057 WZK.
Видео
Доставка
Масса брутто, кг: 31.50
Габариты в упаковке ДхШхВ, мм: 211x236x150
Варианты доставки
| Доставка до адреса заказчика в Москве | 3 047 руб. | 1 день |
