Стол поворотный горизонтально-вертикальный тип 5040 TSL 800
Описание
Столы поворотные горизонтально-вертикальные серии TSL предназначены для деления, кругового резания, установки углов, расточки, локальной обработки и подобной работы совместно с фрезерными станками. Этот тип столов специально предназначен для выполнения машинных операций с большими возможностями измерения, чем столы серии TS. Основание позволяет использовать столы и в вертикальном положении для проведения работ с использованием задней бабки.
Назначение и характеристики стола поворотного горизонтально-вертикального:
Столы поворотные горизонтально-вертикальные тип TSL предназначены для деления, кругового фрезерования, установки углов, сверления, торцевания и прочих подобных операция на фрезерном станке. Стол проградуирован для вращения на 360°. Механизм микроподачи, проградуирован делениями в 1 минуту, а шкала лимба имеет деления в 10 секунд. Поворотные столы имеют защелкивающиеся ручки и кривошипный механизм разъединения.
Этот поворотный стол разработан таким образом, что станина может использоваться в вертикальном положении для выполнения работ по центрированию с пинолью. Специально установленный делительный диск позволяет оператору точно разделить 360° поверхности заготовки на любое количество частей кратное 30'.
Характеристики
| Основные параметры | TSL800 |
| Диаметр планшайбы, мм | Ø800 |
| Конусность центровочного отверстия | KM6 |
| Диаметр отверстия, мм | Ø75x14 |
| Высота центра при вертикальном положении, мм | 500 |
| Ширина Т-паза, мм | 22 |
| Углы схождении Т-пазов | 45° |
| Ширина паза крепления, мм | 22 |
| Модули червячной шестерни | 5.5 |
| Коэффициент передачи червячной передачи | 1:120 |
| Градуировка | 360° |
| Шкала маховичка | 1' |
| Минимальное значение шкалы | 10" |
| Точность показаний | 60" |
| Макс. нагрузка на подшипник в горизонтальном положении, кг | 1500 |
| Макс. нагрузка на подшипник в вертикальном положении, кг | 750 |
| Вес, кг | 1150 |
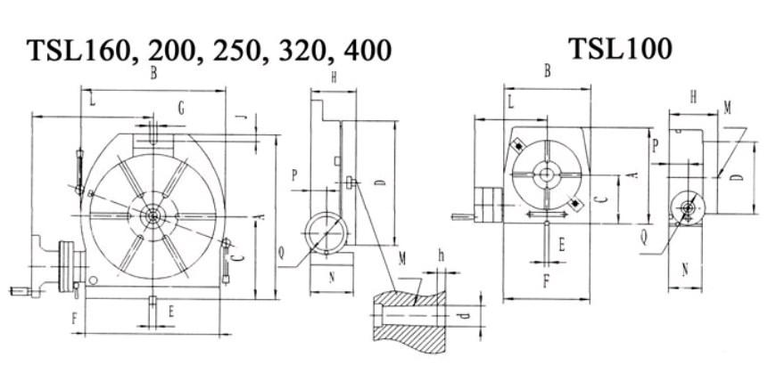
Табл."Параметры столов поворотных горизонтально-вертикальных серии TSL"
![]() | Параметры | TSL800 |
| A, мм | 980 | |
| B, мм | 890 | |
| C, мм | 500 | |
| D, мм | 800 | |
| E, мм | 22 | |
| F, мм | 800 | |
| G, мм | 22 | |
| H, мм | 300 | |
| J, мм | 30 | |
| L, мм | 534 | |
| M, мм | KM6 | |
| N, мм | 295 | |
| P, мм | 136 | |
| Q, мм | 250 | |
| d, мм | 75 | |
| h, мм | 14 |
Комплектация и особенности
К столу поворотному тип 5040 TSL дополнительно поставляем (не входит в комплект стола поворотного):
- Фланец для крепления спирального патрона тип 5055 FL;
- Патрон спиральный тип 5054 DК11;
- Делительный диск, позволяющий оператору точно разделить окружность при вращении на 360°, в любых пропорциях и на любые углы тип 5053 DP;
- Бабка задняя тип 5057 WZK.
Видео
Доставка
Масса брутто, кг: 1 150
Габариты в упаковке ДхШхВ, мм: 534x890x500
Варианты доставки
| Доставка до адреса заказчика в Москве | 32 659 руб. | 1 день |
